智通财经APP获悉,6月3日,市场研究机构Omdia最新报告指出,2022年4月大中小尺寸TFT LCD面板的总出货量环比下降13%,年同比下降15%,仅达1亿9500万片。2022年4月大尺寸显示面板出货量环比下降10%至7410万片。中小尺寸面板的总出货量环比下降15%,年同比下降20%,仅1亿2000万片。
由于持续的新冠疫情影响,2021年第4季度的显示器和笔记本电脑面板需求量依旧保持强劲;同时较低的价格也刺激了显示器和笔记本电脑面板的需求增长。但是,随着市场渗透的饱和,IT面板出货量在2022年第1季度和第2季度初开始放缓。预计2022年第2季度的IT面板出货量将进一步放缓,且价格也将快速下挫,尤其是显示器面板,在2022年4月已出现9%的环比下降。在电视面板价格在2021年下半年出现显著下降的同时,出货量也在2021年12月出现大幅增长,达到了2340万片。但是,有许多面板的价格已经跌至制造成本线以下,面板制造商自2021年第4季度已开始出现亏损。因此,尽管未来几个月面板出货量还会继续波动,但降价预计将会显著放缓,尤其是如32和43英寸较小尺寸的电视面板。
笔记本电脑面板的出货量在2022年4月出现21%的环比和19%的年同比下降,这也是大尺寸面板出货量降至2020年5月以来最低的7410万片的主要原因之一。接下来几个月中,这是否代表着新冠疫情带来的额外需求增长将会结束,值得密切关注。
2022年4月按应用类别区分的出货量:9英寸及以上尺寸平板电脑面板出货量环比下降2%,年同比下降17%。笔记本电脑面板出货量环比下降21%,年同比下降19%。显示器面板环比下降9%,年同比下降14%。电视面板出货量环比下降9%,年同比下降2%。
从面板出货面积角度来看,大尺寸面板的面积出货量环比下降9%,年同比保持持平。新冠疫情导致全球经济低迷需求不振,以及宏观经济走弱,通货膨胀等等,是出货面积出现年同比下降的主要原因。这会对过去几年大量投资建设的巨大产能带来非常缓慢的去化效果,也许会迫使面板制造商在接下来几个月被迫调整其产线稼动率。
大尺寸TFTLCD面板业务营收在2022年4月出现了14%的环比和26%的年同比下降。自2021年8月份以来,面板价格持续下跌,因此接下来几个月面板业务营收还会继续波动,年同比增长率可能会继续下探。不过,随着面板价格降低到面板制造商的现金成本以下,接下来几个月的下降势头预计也将会减缓。
应用类别面板的出货量表现
在2022年4月,平板电脑面板(5英寸及以上)出货量环比下降4%,年同比下降2%,至2160万片。9英寸及以上尺寸平板电脑面板出货量环比下降2%,年同比下降17%,至1230万片。低价导致一些面板代理商增加了3、4月份的采购量,但需求依旧不振。在这种情况下,出货量在未来几个月可能会经历波动。
显示器面板出货量环比下降9%,年同比下降14%,至1500万片。电视面板2022年4月出货量环比下降9%,至2170万片。因新冠疫情影响继续,全球经济低迷,东欧战事不停,市场需求受到了极大的影响,所以3月份的出货量增长仅昙花一现,未能延续到4月,且未来几个月的电视和IT面板出货量还可能会继续下跌。面板价格和出货量在未来数月所面临的不确定性极大。
表1:各应用类别大尺寸TFTLCD面板出货量,2022年4月(百万片)

表2:各应用类别大尺寸TFTLCD面板出货量,2021年9月至2022年4月(百万片)

面板供应商出货份额
近年来,中国大陆面板制造商逐渐跻身市场领先者行列,在中国大陆投资建设了大量产能。京东方是全球前五的面板制造商领导者,同时也是大尺寸显示面板领域的领先者。
在过去几个季度,中国大陆的其他面板制造商也显著提高了他们的出货量份额和出货面积份额。收购了三星苏州产线的华星光电也迅速成为京东方领先地位的有力挑战者。
此外,随着韩国面板制造商逐渐重组或退出其产能,其他中国大陆面板制造商也在近来成为了出货面积方面的主要供应商。例如惠科显示正在快速提升其在滁州、绵阳和长沙的产能。该公司已快速成长为另一家主要的大尺寸显示面板供应商,自2021年3月以来,已跻身电视显示面板供应商的前列。
2021年,中国大陆面板制造商(包括京东方、南京中电熊猫、华星光电、彩虹光电和惠科显示)的平均月度电视面板出货量已占电视面板总出货量市场的62.2%。这五家面板制造商的电视面板出货份额在2022年2月和4月分别达到了68.2%和68.4%。很可能在2022年的某个时间,这一份额将超过70%。中国大陆面板制造商的出货面积份额也在2022年4月达到了68.5%的新高。
在大尺寸面板出货量方面,京东方排名第一,份额为36.5%,群创排名第二,份额为14.4%,乐金显示排名第三,份额为10.9%。友达光电排名第四,份额为10.1%,华星光电排名第五,份额为9.5%。
在出货面积方面,京东方在大尺寸面板方面的出货面积份额排名第一,份额为28.5%。华星光电随后,份额为18.7%。乐金显示第三,份额为10.9%,惠科显示和群创分别排名第四第五,份额为10.6%和9.6%。
排名前五制造商的2022年4月大尺寸面板出货量占大尺寸面板出货总量的81.4%。前五制造商的份额有所下降,这是因为惠科显示的出货量份额快速增长。
表3列出了排名前五的大尺寸面板供应商的出货量份额。比较中还纳入了2022年3月和2021年4月的份额数据。
表3:按出货量区分大尺寸TFTLCD面板厂商排名及份额,2022年4月

此外,表4和表5还给出了各应用类别的排名前五大尺寸面板供应商的出货量份额和出货面积份额。
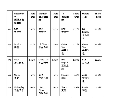
表4:各应用类别大尺寸TFTLCD面板出货量各面板厂商份额及排名,2022年4月

表5:各应用类别大尺寸TFTLCD面板出货面积各面板厂商份额及排名,2022年4月

2022年4月UHD(4K)LCD电视面板出货量环比下降10%
2022年4月的4K电视面板出货量为1100万片,环比下降10%MoM,在该月LCD电视面板总出货量中所占份额为50.5%。随着8.6代和10.5代等专注于生产大尺寸面板的产线产能在未来几个月陆续释放,4K电视面板的份额在2022年预计将会继续提升。近期,由于低价带动了更小尺寸面板的出货量增长,4K电视面板的份额提升有所放缓。不过,随着接下来几个月面板价格趋于稳定,这一势头预计将迅速恢复。
在将新购得产能带来的出货量纳入计算后,京东方在2022年4月成为了4K电视面板领域的大哥,出货量达到了300万片,市场份额达到了26.9%。华星光电、惠科显示、彩虹光电紧随其后,市场份额分别为22.5%、9.7%、9.4%。乐金显示排名第五,份额为8.8%。
55英寸电视面板2022年3月的出货量为330万片,是排名第一的尺寸,在4K电视面板中的份额达到了26.8%。50、43、65、75英寸面板紧随其后,份额分别为20.9%、18.9%、18.2%、7.6%。70英寸面板的份额排名第六,份额为2.2%。
此外,2022年4月的4K显示器面板和4K笔记本电脑面板出货量分别为48.2万片和10,981片。
表6:按出货量区分的4K电视面板厂商排名和份额,2022年3月






